產品特性:
v 電阻應變為敏感元件和集成電路構成的一體產品
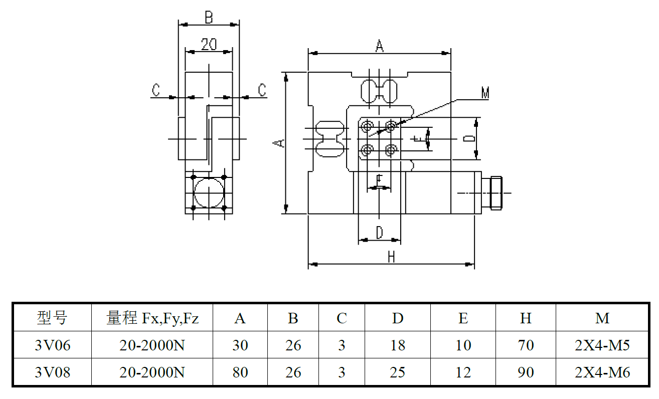
v 測量范圍:20-2000N可選
v 量程關系:X=Y=Z或者1.5/2 X=1.5/2 Y=Z
v 精度高,性能穩定
v 適用于三分力測量
v 采用德國技術和生產設備,品質保證
v 不同量程選用不銹鋼/鋁合金/合金鋼不同材質
v 防護等級高達:IP65
性能參數:

產品尺寸:(mm)

咨詢熱線186 0209 4041




產品特性:
v 電阻應變為敏感元件和集成電路構成的一體產品
v 測量范圍:20-2000N可選
v 量程關系:X=Y=Z或者1.5/2 X=1.5/2 Y=Z
v 精度高,性能穩定
v 適用于三分力測量
v 采用德國技術和生產設備,品質保證
v 不同量程選用不銹鋼/鋁合金/合金鋼不同材質
v 防護等級高達:IP65
性能參數:

產品尺寸:(mm)

管理員
該內容暫無評論