資料下載:
KPM.pdf
產品特性:
? 體積小巧 量程25-300mm可選
? 重復精度:0.01mm
? 分辨率:高于0.01mm
? 防護等級:最高IP65
? 使用壽命長,運行次數可達5000萬次
? 適用于各種惡劣環境(潮濕,油污,灰塵)
? 外殼表面陽極處理,防腐蝕
? 直出線1.2米
產品規格參數:

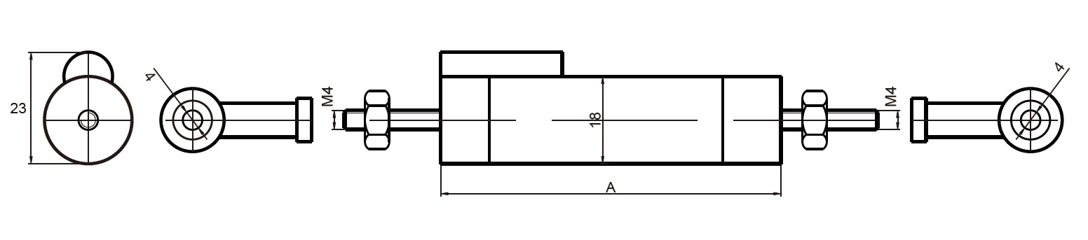
產品尺寸圖:(單位:mm)

產品結構分解:

咨詢熱線186 0209 4041














資料下載:
KPM.pdf
產品特性:
? 體積小巧 量程25-300mm可選
? 重復精度:0.01mm
? 分辨率:高于0.01mm
? 防護等級:最高IP65
? 使用壽命長,運行次數可達5000萬次
? 適用于各種惡劣環境(潮濕,油污,灰塵)
? 外殼表面陽極處理,防腐蝕
? 直出線1.2米
產品規格參數:

產品尺寸圖:(單位:mm)

產品結構分解:

管理員
該內容暫無評論