資料下載:
19.pdf
19系列P型磁致伸縮位移傳感器鋁成型外殼符合IP67標準,保證能工作于苛刻和高塵埃污染的環境。固定夾片提供靈活和簡易的安裝方式,適合一般機械使用。 19系列P型磁致伸縮位移傳感器(適用于外置機床表面安裝)
19系列磁致伸縮位移傳感器為新開發的數碼智能型磁致伸縮位移傳感器。是采用非接觸式磁致伸縮測量技術。此技術能提供高速、高精準、直接和絕對值的位移輸出。非接觸式設計不但方便安裝,而且能消除所有工作磨損而帶來的誤差。
19系列磁致伸縮位移傳感器特別針對苛刻環境應用設計,如煉油、化工、發電、制藥等。除了基本的模擬量的電壓和電流信號輸出外,還提供更為豐富的通信接口包括數字量的SSI和Start/Stop,現場總線的CANbus和Profibus-DP等。
一個專業的傳感器系列,為用戶提供簡單、直接的位置反饋信號,節省成本,提升生產效益。輸出模式包括:
●模擬的電壓與電流
●Start/Stop信號
●SSI同步串行數字
●CANbus
●Profibus
| (電壓/電流)模擬輸出 | ||||
| 訂貨編號 | 190 | 191 | ||
| 輸出 | 電壓輸出(0-10V) | 電流輸出(0-20mA,4-20mA) | ||
| 測量數據 | 直線位移 | |||
| 可調范圍 | 當使用雙磁鐵時,磁鐵之間距離最少為76mm | |||
| 分辨率 | 16位 D/A,0.0015%(最小1μm) | |||
| 重復精度 | 滿量程的<±0.001%(最小±2.5μm) | |||
| 非線性度 | 滿量程的<±0.01%(最小±40μm) | |||
| 更新時間 | 0.5ms 1200mm以內 / 1.0ms 2400mm 以內 | |||
2.0ms 4800mm以內 / 5.0ms 7600mm 以內 | ||||
(開始/停止)數字輸出 | ||||
| 訂貨編號 | 193 | |||
| 輸出 | (開始/停止)數字輸出 | |||
| 測量數據 | 直線位移 | |||
| 分辨率 | 0.1/0.01/0.005 mm | |||
| 重復精度 | 滿量程的<±0.001%(最小±2.5μm) | |||
| 非線性度 | 滿量程的<±0.01%(最小±40μm) | |||
| 更新時間 | 0.5ms 1200mm以內 / 1.0ms 2400mm 以內 | |||
2.0ms 4800mm以內 / 5.0ms 7600mm 以內 | ||||
SSI同步串連數字輸出 | ||
| 訂貨編號 | 192 | |
| 輸出 | SSI同步串連輸出 | |
| 測量數據 | 直線位移 | |
| 數據格式 | 二進制或者格雷碼,選項提供奇偶檢驗和錯誤位 | |
| 數據長度 | 8-32位 | |
| 數據速度 | 線長:<3<50<100<200<400m速率:1000<400<300<200<100kBd | |
| 更新時間 | 行程:300750100020005000mm頻率:3.73.02.31.20.5kHz | |
| 分辨率 | 位置:1/2/5/10/20/50/100 μm | |
| CANbus 數字輸出 | ||||
| 訂貨編號 | 194 | |||
| 輸出 | CANbus 數字輸出 | |||
| 測量數據 | 直線位移 | |||
| 數據格式 | CANopen: CIA 標準 DS-301 V3.0 | |||
CANbasic:CAN 2.0A | ||||
| 傳輸速度 | 速率:10008005002501255020kbit/s線長:<25<50<100<250<500<1000<2500m | |||
| 分辨率 | CANopen | CANbasic | ||
-位置 | 5μm 2μm | 5μm 2μm | ||
-速度 | 0.5mm/s 0.2mm/s | 1.0mm/s 0.1mm/s | ||
| 重復精度 | 滿量程的<±0.001%(最小±2.5μm) | |||
| 非線性度 | 滿量程的<±0.01%(最小±40μm) | |||
| 更新時間 | 0.5ms 1200mm以內 / 1.0ms 2400mm 以內 | |||
2.0ms 4800mm以內 / 5.0ms 7600mm 以內 | ||||
| 所有類型共有參數 | ||||
| 供應電源 | +24Vdc(20.4 - 28.8Vdc) | |||
| 輸入保護 | 極性保護至-30Vdc,過壓保護至36Vdc | |||
| 用電量 | 100mA(按量程而定) | |||
| 絕緣強度 | 500Vdc(DC 地端對機器接地端) | |||
| 接頭選型 | 6針D60公接頭 | |||
| 工作溫度 | -40至75℃,溫度90%,不能結露 | |||
| 防護級數 | IP67(當正確連接上插頭時) | |||
| 振蕩指標 | 15g/10-2000Hz/IEC標準68-2-6 | |||
| 沖擊指標 | 100g (單一沖擊)/IEC標準68-2-27(耐久性) | |||
| EMC測試 | 放射 EN61000-6-3,抗擾EN61000-6-2,EN61000-4-2/3/4/6 | |||
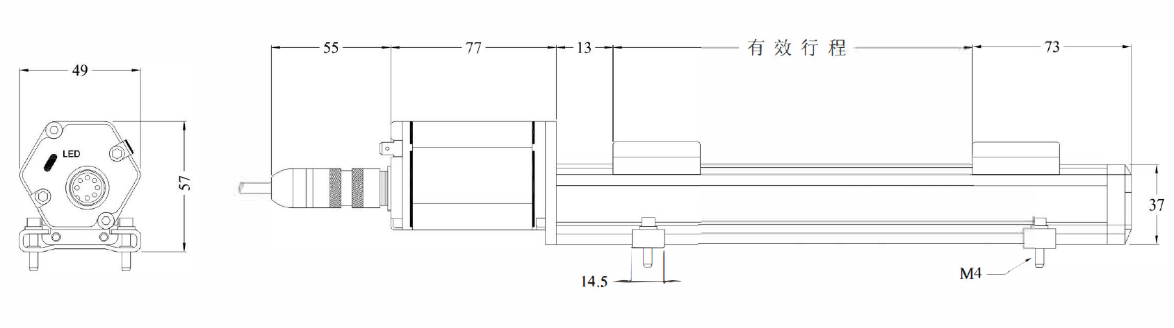
產品安裝尺寸:















管理員
該內容暫無評論